PVC U TRANSPARENT ROHRE UND FITTINGE
- EINSATZBEREICHE -



Transparent Rohrsysteme finden Ihren Einsatzbereich in der klassischen Labor, Lebensmittel- und Pharmatechnik. Insbesondere in chemischen Prozessen, dient ein Transparent Rohr als optisches Überwachungsinstrument bei sicherheitsrelevanten Prozessen zur Kontrolle des Mediums. In der Rohrleitungstechnik allgemein, zur Füllstandskontrolle von Behälter aus Kunststoff und zu Schulungszwecken, bietet Kwerk.de ein großes Sortiment an Transparent Rohren und Fittingen aus PVC U. Fragen Sie uns einfach an.
Technische Daten:
- Temperatureinsatzbereichen 0 - 60°C
- Betriebsdruck bis PN 25, je nach Abmessung

NORMEN


für Zoll Abmessung
-Fittinge: Bs 4346 Part 1, ASTM D 2467, ASTM S 2466
-Rohre: EN 1452, ASTM D 1785, ASTM D 2241

für DIN Abmessungen
-Rohre nach DIN 8062 (nur Maße)
 




PVC U TRANSPARENT ROHR IN DIN ABMESSUNGEN


Werkstoff: PVC U ohne Weichmacher nach DIN 8061
Farbe: transparent
Abmessung: nach DIN ISO 15493, DIN 806
Rohrlängen: 5 Meter, mit glatten Enden
Mindestbestellmenge: 5 Meter, Zuschnitte auf Anfrage möglich

ACHTUNG: wir weisen ausdrücklich darauf hin, dass es zu DIN Rohr keine handelsüblichen Fittings in TRANSPARENT gibt.
Andere Ausführungen und Werkstoffkombinationen auf Anfrage möglich.
Alle Artikel finden Sie auch im Webshop

Information zur Tabelle: alle Artikel sind in der Spalte Wandstärke mit einem Link in den Webshop hinterlegt!



AD
Ø mm
PN 4
SDR51
PN 6
SDR34,3
PN 10
SDR21
PN 16
SDR13,5
PN 16
SDR9
Wandstärke
inn
kg/m Wandstärke
inn
kg/m Wandstärke
inn
kg/m Wandstärke
inn
kg/m Wandstärke
inn
kg/m
d 8                 1,0 0,04
d 10                 1,2 0,05
d 12             1,0 0,05 1,4 0,07
d 16             1,2 0.09    
d 20             1,5 0.14    
d 25         1,5 0,18 1,9 0,22    
d 32         1,8 0,26 2,4 0,34    
d 40         2,0 0,36 3,0 0,52    
d 50     1,8 0,422 2,4 0,55 3,7 0,81    
d 63 1,8 0,53     3,0 0,85 4,7 1,3    
d 75 1,8 0,64     3,6 1,22        
d 90 1,8 0,774     4,3 1,75        
d 110 2,2 1,16     5,3 2,61        
d 125 2,5 1,48                
d 140 2,8 1,84                
d 160 3,2 2,41 4,7 3,44            
d 200 4,0 3,70                
d 225 4,5 5,65                
d 250 4,9 5,65                
d 280 5,5 7,6                
d 315** 4,0 7,1                
d 400** 4,0 8,65                
 
** Nur für den drucklosen Betrieb geeignet!






PVC U TRANSPARENT BÖGEN



BEIDE SEITEN KLEBEMUFFE, AUS ROHR HERGESTELLT


Biegeradius R in Abhängigkeit vom Rohrdurchmesser, bis d 90 mm R= 2,5 x d, ab d 110 mm 3,5 x d
Andere Ausführungen und Werkstoffkombinationen auf Anfrage möglich.
Alle Artikel finden Sie auch im Webshop
 
AD
Ø mm
11° 22° 30° 45° 90°  
d 25 KWTR1125 KWTR2225 KWTR3025 KWTR4525 KWTR9025
d 32 KWTR1132 KWTR2232 KWTR3032 KWTR4532 KWTR9032
d 40 KWTR1140 KWTR2240 KWTR3040 KWTR4540 KWTR9040
d 50 KWTR1150 KWTR2250 KWTR3050 KWTR4550 KWTR9050
d 63 KWTR1163 KWTR2263 KWTR3063 KWTR4563 KWTR9063
d 75 KWTR1175 KWTR2275 KWTR3075 KWTR4575 KWTR9075
d 90 KWTR1190 KWTR2290 KWTR3090 KWTR4590 KWTR9090
d 110 KWTR11110 KWTR22110 KWTR30110 KWTR45110 KWTR90110
d 125       auf Anfrage auf Anfrage
d 140       auf Anfrage auf Anfrage
d 160       auf Anfrage auf Anfrage
d 180       auf Anfrage auf Anfrage
d 200       auf Anfrage auf Anfrage
 


EINE SEITE KLEBEMUFFE, ANDERE SEITE KLEBESTUTZEN, AUS ROHR HERGESTELLT


Biegeradius R in Abhängigkeit vom Rohrdurchmesser, bis d 90 mm R= 2,5 x d, ab d 110 mm 3,5 x d
Andere Ausführungen und Werkstoffkombinationen auf Anfrage möglich.
Alle Artikel finden Sie auch im Webshop
 
AD
Ø mm
11° 22° 30° 45° 90°  
d 25 KWTE1125 KWTE2225 KWTE3025 KWTE4525 KWTE9025
d 32 KWTE1132 KWTE2232 KWTE3032 KWTE4532 KWTE9032
d 40 KWTE1140 KWTE2240 KWTE3040 KWTE4540 KWTE9040
d 50 KWTE1150 KWTE2250 KWTE3050 KWTE4550 KWTE9050
d 63 KWTE1163 KWTE2263 KWTE3063 KWTE4563 KWTE9063
d 75 KWTE1175 KWTE2275 KWTE3075 KWTE4575 KWTE9075
d 90 KWTE1190 KWTE2290 KWTE3090 KWTE4590 KWTE9090
d 110 KWTE11110 KWTE22110 KWTE30110 KWTE45110 KWTE90110
d 125       auf Anfrage auf Anfrage
d 140       auf Anfrage auf Anfrage
d 160       auf Anfrage auf Anfrage
d 180       auf Anfrage auf Anfrage
d 200       auf Anfrage auf Anfrage
 


BEIDE SEITEN KLEBESTUTZEN


Biegeradius R in Abhängigkeit vom Rohrdurchmesser, bis d 90 mm R= 2,5 x d, ab d 110 mm 3,5 x d
Andere Ausführungen und Werkstoffkombinationen auf Anfrage möglich.
Alle Artikel finden Sie auch im Webshop
 
AD
Ø mm
11° 22° 30° 45° 90°  
d 25 KWTS1125 KWTS2225 KWTS3025 KWTS4525 KWTS9025
d 32 KWTS1132 KWTS2232 KWTS3032 KWTS4532 KWTS9032
d 40 KWTS1140 KWTS2240 KWTS3040 KWTS4540 KWTS9040
d 50 KWTS1150 KWTS2250 KWTS3050 KWTS4550 KWTS9050
d 63 KWTS1163 KWTS2263 KWTS3063 KWTS4563 KWTS9063
d 75 KWTS1175 KWTS2275 KWTS3075 KWTS4575 KWTS9075
d 90 KWTS1190 KWTS2290 KWTS3090 KWTS4590 KWTS9090
d 110 KWTS11110 KWTS22110 KWTS30110 KWTS45110 KWTS90110
d 125       auf Anfrage auf Anfrage
d 140       auf Anfrage auf Anfrage
d 160       auf Anfrage auf Anfrage
d 180       auf Anfrage auf Anfrage
d 200       auf Anfrage auf Anfrage
 


BEIDE SEITEN KLEBESTUTZEN - SONDERAUSFÜHRUNG -



Biegeradius R in Abhängigkeit vom Rohrdurchmesser, Ausführung siehe Tabelle
Andere Ausführungen und Werkstoffkombinationen auf Anfrage möglich.
Alle Artikel finden Sie auch im Webshop
 
AD
Ø mm
Artikelnummer Abmessung
mm
Radius
mm
Gewicht
Kg/ST
Artikel im Webshop  
d 63 130 700 d 63 x 1,9 300 0,325 auf Anfrage  
d 63 130 710 d 63 x 1,9 550 0,510 auf Anfrage  
d 80 130 840 d 80 x 2,5 500 0,840 auf Anfrage  
d 80 130 850 d 80 x 2,5 800 1,240 auf Anfrage  
d 80 130 860 d 80 x 2,5 1200 1,775 auf Anfrage  
d 90 130 717 d 90 x 2,0 300 0,530 auf Anfrage  
d 90 130 720 d 90 x 2,0 550 0,820 auf Anfrage  
d 90 130 730 d 90 x 2,0 650 0,870 auf Anfrage  
d 90 130 740 d 90 x 2,0 750 1.065 auf Anfrage  
d 108 130 870 d 108 x 4,0 550 1,950 auf Anfrage  
d 108 130 880 d 108 x 4,0 650 2.235 auf Anfrage  
d 108 130 890 d 108 x 4,0 800 2,532 auf Anfrage  
d 108 130 900 d 108 x 4,0 1000 3,240 auf Anfrage  
d 108 130 910 d 108 x 4,0 1250 3,695 auf Anfrage  
d 108 130 920 d 108 x 4,0 1500 4,680 auf Anfrage  
d 110 130 980 d 110 x 2,3 300 0,687 auf Anfrage  
d 110 130 750 d 110 x 2,3 550 1.160 auf Anfrage  
d 110 130 760 d 110 x 2,3 650 1.330 auf Anfrage  
d 110 130 770 d 110 x 2,3 800 1.595 auf Anfrage  
d 110 130 780 d 110 x 2,3 1000 1.930 auf Anfrage  
d 110 130 790 d 110 x 2,3 1250 2.360 auf Anfrage  
d 125 130 802 d 125 x 2,6 650 1.848 auf Anfrage  
d 125 130 800 d 125 x 2,6 1000 2.480 auf Anfrage  
d 132 139 930 d 132 x 4,0 650 2.745 auf Anfrage  
d 132 130 935 d 132 x 4,0 800 3.420 auf Anfrage  
d 132 130 940 d 132 x 4,0 1000 3,985 auf Anfrage  
d 160 130 805 d 160 x 3,2 650 2,400 auf Anfrage  
d 160 130 810 d 160 x 3,2 800 3.230 auf Anfrage  
d 160 130 820 d 160 x 3,2 1200 4.610 auf Anfrage  
d 200 130 825 d 200 x 4,0 800 5,690 auf Anfrage  
d 200 130 830 d 200 x 4,0 1250 7.470 auf Anfrage  
d 200 130 060 d 200 x 4,0 1800 11,390 auf Anfrage  
 



180° BOGEN AUS ROHR HERGESTELLT


Biegeradius R in Abhängigkeit vom Rohrdurchmesser, bis d 90 mm R= 2,5 x d, ab d 110 mm 3,5 x d

Bitte beachten Sie: wir fertigen auch nach Kundenwunsch in allen Gradzahlen und wenn technisch machbar auch
in andere Größen. Bitte senden Sie uns hierzu eine Anfrage oder rufen Sie uns einfach an.
Alle Artikel finden Sie auch im Webshop

 
AD
Ø mm
Gradzahl Stutzen Stutzen / Klebemuffe Klebemuffe  
d 25 180° KWTO-S18025
KWTO-ES18025
KWTO-K18025
d 32 180° KWTO-S18032 KWTO-ES18032 KWTO-K18032
d 40 180° KWTO-S18040 KWTO-ES18040 KWTO-K18040
d 50 180° KWTO-S18050 KWTO-ES18050 KWTO-K18050
d 63 180° KWTO-S18063 KWTO-ES18063 KWTO-K18063
d 75 180° KWTO-S18075 KWTO-ES18075 KWTO-K18075
d 90 180° KWTO-S18090 KWTO-ES18090 KWTO-K18090
d 110 180° KWTO-S180110 KWTO-ES180110 KWTO-K180110
d 125 180° auf Anfrage auf Anfrage auf Anfrage
d140 180° auf Anfrage auf Anfrage auf Anfrage
d 160 180° auf Anfrage auf Anfrage auf Anfrage
 



PVC U TRANSPARENT ROHR in Zoll ABMESSUNGEN


Werkstoff: PVC U
Farbe: transparent
Abmessung: Schedule 40 und 80 nach EN 1452, ASTM D 1785, ASTM D 2241
Rohrlängen: 3 Meter, mit glatten Enden
Mindestbestellmenge: 10 Feet, ca. 3 Meter, Zuschnitte auf Anfrage möglich
Alle Artikel finden Sie auch im Webshop


Schedule 40 Schedule 80
Größe AD
Ø Zoll
ID
Ø Zoll
Druckstufe PN Artikelnummer ID
Ø Zoll
Druckstufe PN Artikelnummer
1/4" 13,8 8,74 25 0400025-PL-1000 7,32 39 0800025-PL-1000
3/8" 17,20 12,01 20 0400038-PL-1000 10,3 31
0800038-PL-1000
1/2" 21,4 15,29 20 0400050-PL-1000 13,4 28
0800050-PL-1000
3/4" 26,7 20,42 16 0400075-PL-1000 18,3 23
0800075-PL-1000
1" 33,4 26,14 15 0400100-PL-1000 23,7 22
0800100-PL-1000
1 1/4" 42,2 34,54 12 0400125-PL-1000 31,9 17
0800125-PL-1000
1 1/2" 48,3 40,39 11 0400150-PL-1000 37,4 16 0800150-PL-1000
2" 60,3 51,99 9 0400200-PL-1000 48,5 13
0800200-PL-1000
2 1/2" 73,0 62,10 10 0400250-PL-1000 58,1 13 0800250-PL-1000
3" 88,9 77,27 9 0400300-PL-1000 72,7 13 0800300-PL-1000
3 1/2" 101,60 89,43 8 0400350-PL-1000      
4" 114,30 101,55 7 0400400-PL-1000 96,1 11 0800400-PL-1000
6" 168,30 153,18 6 0400600-PL-1000 145 9 0800600-PL-1000
6" 168,30 161,93 3 0400613-PL-1000      
8" 219,1 201,73 5 0400800-PL-1000      
10" 273,00 254,51 4 0401000-PL-1000      
12" 323,8 301,98 4 0401200-PL-1000      
 





PVC U TRANSPARENT FITTINGE IN Zoll ABMESSUNGEN


Werkstoff: PVC U
Farbe: transparent
Normen: BS 4346 Part 1, ASTM D 2467, ASTM S 2466

Bitte beachten Sie: zu diesem Fittingen, passt nur das entsprechende Zoll-Rohr.
Alle Artikel finden Sie auch im Webshop


 
Größe Artikelnummer
1/4" 406-002L 417-002L 401-002L 429-002L 447-002L 435-002SRL  
3/8" 406-003L 417-003L 401-003L 429-003L 447-003L 435-003SRL  
1/2" 406-005L 417-005L 401-005L 429-005L 447-005L 435-005SRL  
3/4" 406-007L 417-007L 401-007L 429-007L 447-007L 435-007SRL  
1" 406-010L 417-010L 401-010L 429-010L 447-010L 435-010SRL  
1 1/4" 406-012L 417-012L 401-012L 429-012L 447-012L 435-012SRL  
1 1/2" 406-015L 417-015L 401-015L 429-015L 447-015L 435-015SRL 475-015L
2" 406-020L 417-020L 401-020L 429-020L 447-020L 435-020SRL 475-020L
2 1/2" 406-025L 417-025L 401-025L 429-025L 447-025L 435-025SRL  
3" 406-030L 417-030L 401-030L 429-030L 447-030L 435-030SRL 475-030L
4" 406-040L 417-040L 401-040L 429-040L 447-040L 435-040SRL 475-040L
6" 406-060L 417-060L 401-060L 429-060L 447-060L   475-060L
8" 406-080L 417-080L 401-080L 429-080L 447-080L    
 
 
Größe Artikelnummer Größe Artikelnummer
1/4"       3/4" x 1/2" 437-101L
3/8" 436-003L     1" x 3/4" 437-131L
1/2" 436-005L 427-005L 409-005L 1 1/4" x 1" 437-168L
3/4" 436-007L 427-007L 409-007L 1 1/2" x 1" 437-211L
1" 436-010L 427-010L 409-010L 1 1/2" x 1 1/4" 437-212L
1 1/4" 436-012L 427-012L 409-012L 2" x 11/2" 437-251L
1 1/2" 436-015L 427-015L 409-015L 2 1/2" x 2" 437-292L
2" 436-020L 427-020L 409-020L 3" x 2" 437-338L
2 1/2" 436-025L 427-025L 409-025L 3" x 2 1/2" 437-339L
3" 436-030L 427-030L   4" x 3" 437-422L
4" 436-040L 427-040L   6" x 4" 437-532L
6"       8" x 6" 437-585L
 




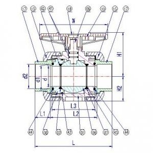
PVC U TRANSPARENT KUGELHAHN

Neu im Lieferprogramm d 20 mm - d 63 mm





 
 
 


VOM PRAKTIKER FÜR DEN PRAKTIKER



Zusammen mit unserem Partner, entwickeln und konzipieren wir 2/2 Wege Kugelhähne für die Wassertechnik aus PVC U Transparent.

Der 2-Wege Kugelhahn, ist ausgeführt in der Ausführung Verschraubung mit Klebemuffe und kann bei Bedarf auch mit Innengewindeanschlüssen aus PVC U grau angeboten werden.

Das Kugelhahngehäuse, die Einlegeteile und die Überwurfmuttern, bestehen aus dem Werkstoff PVC U Transparent. Der Ventilsitz ist in PTFE ausgeführt und die O-Ringe können wahlweise in EPDM und FPM geliefert werden. Der Griff zum Absperren des Kugelhahn besteht aus dem Werkstoff ABS.

Der Kugelhahn kann mit einem Betriebsdruck von max. 10 bar, bei einer Temperatur von 20°C betrieben werden.  Bitte beachten Sie beim Einsatz der Armatur,  immer das Druck- Temperaturdiagramm für PVC U Transparent. Gerne beantworten wir Ihnen hierzu auch entsprechende Anfragen.


 



UNSER LIEFERPROGRAMM

2/2 Wege Kugelhahn aus PVC U Transparent, Anschluss Klebemuffe DIN, O-Ringe EPDM



DN d Artikelnummer d1 d2 L L1 L2 L3 W H1 H2 F I Werkstoff
O-Ring

Ausführung
Anschluss
15 20 CA-K-00020 20.3 20.1 92 16 60 52 84 52.5 27.5 31 M6 EPDM Klebemuffe
20 25 CA-K-00025 25.3 25.1 100 19 52 54 90 59 32 33 M& EPDM Klebemuffe
25 32 CA-K-00032 32.3 32.1 114 22 70 62 106 67.5 37.25 40 M6 EPDM Klebemuffe
32 40 CA-K-00040 40.3 40.1 130 26 79.5 70 116 77.5 42.75 52 M8 EPDM Klebemuffe
40 50 CA-K-00050 50.3 50.1 151 32 87.5 70.5 128 90 50 52 M8 EPDM Klebemuffe
50 63 CA-K-00063 63.3 63.1 171 38 95 85 140 106 60 70 M8 EPDM Klebemuffe
 
Technische Änderungen vorbehalten.





 

Gerne unterbreiten wir Ihnen für Ihren Bedarf ein Angebot, senden Sie uns einfach eine Anfrage




PVC TRANSPARENT - ANWENDUNGSBEISPIELE  -

WIR FERTIGEN VOM PRAKTIKER FÜR DEN PRAKTIKER



Neben den handelsüblichen PVC Transparent Fittings und Rohren, bieten wir auch sog. Anarbeitungen in PVC U Transparent an. Sowohl für das DIN und das Zoll Rohr, bieten hier vielfältige Möglichkeiten in der Fertigung.

Bitte beachten Sie :
- bei der optischen Betrachtung, die Möglichkeit des bläulichen Erscheinungsbildes von PVC U Transparent in Zoll und auch im DIN Bereich.
- beim Kleben von PVC U Transparent, verändert sich die Farbe der Klebestelle und wirkt leicht weißlich.
- das Schweißen mit transparentem Draht ist eine gängige Verbindungstechnik, die Schweißnaht wirkt aber nicht mehr transparent.

Unsere weiteren Fertigungsmöglichkeiten:
- Zuschnitte nach Kundenvorgabe
- Anbringen von Gewindeanschlüssen
- Anbringen von Abgängen
- Rohrformteile nach Kundenvorgabe etc.

Gerne unterbreiten wir Ihnen ein kostenloses unverbindliches Angebot.




 

Schulungszentrum für Wassermeister in einem renommierten Versorgungsunternehmen


 

Projektarbeit an einer Universität für Strömungs- und Verfahrenstechnik
 

Industrieprojekt d 75 mm gebogen, Länge 2 Meter
 

Industrieanwendung in d 63 mm, transparente Transportwege

d 110 mm Rohrstück mit 4 Zoll Außengewinde und PVC u grau Endkappe
 

3 Zoll Gewinde auf einem 3 Zoll Rohr
 

PVC Transparent Bögen 30° d 63 mm mit angeformten Muffen
 

PVC Transparent Rohrstrecke d 110 mm nach Vorgabe, Verbindungen mit transparent Draht geschweißt


Trichter aus EATG mit Anschluss Außengewinde
 

Transparente Flanschverbindungen d 160 mm
 

PVC Transparent Rohr d 400 mm, mit angeschweißten PVC Flanschen mit Nut

 

PVC U Transparent Bogen d 315 mm in Segmentbauweise mit PVC U Festflansch

PVC-U Transparent - Transparentbehälter
d 225mm mit Verschluß, Länge 2840mm
 

PVC U Transparent Trichter mit Außengewindeanschluß
 

PVC U Reduktionen für eine Abluftanlage
 

Bilder aus der Produktion




PVC U Transparent Bögen 45°, segmentiert, aufreduziert, einseitig gemufft und passend
für KG Rohre d 160 mm
 



Transparente Rohre in d 160 mm mit 25 mm Einfräsungen
 



Transparent Rohr d 250 mm, mit einseitigem PVC U Flansch, fertig für die Reise


Transparent T-Stück 90° handgefertigt


 

Transparent T-Stück 90° handgefertigt, mit Flanschabgang
 

Transportsicherheit gewähren wir bei allen unseren Produkten.
8 Zoll Transparent Rohr mit beidseitigen PVC Flanschen 2.500 mm lang


Rohrvormontage nach Kundenwunsch
 

PLEXIGLAS Flansche nach Kundenwunsch, aus der Platte d 20 mm mit Schutzfolie gefräst
 

Transparent Rohrstrecke mit 180° Bogen und angeformten Muffen d 110 mm, Rohrenden mit PVC U Flanschen ausgeführt




PVC U Transparent Rohr d 90 mm mit Edelstahlflanschanbindung

 



PVC U Transparent Rohr 4 Zoll mit Außengewindeansatz
 



PVC U Transparent Bogen d 63 mm nach Kundenwunsch
 



PVC U Transparent Bogen d 90 mm nach Kundenwunsch



PVC U Transparent Säulen d 160 mm, mit Trichter und Gewindeansatz,
Länge 2000 mm
 


PVC U Transparent Füllstandsanzeigen d 40 mm, mit PVC U Fittingen verklebt,
Länge 4000 mm




PVC U Transparent Flansch d 160 mm mit Rohr verschweißt
 



PVC U Transparent Schweißnähte
 



PVC Transparent Säule mit Abgängen
 



PVC Transparent Säule mit Flansch


 






Ihre Wünsche, unsere Lösungen - Ein umfangreiches Lieferprogramm nach Maß.



Kunststoffrohrsysteme


Rohrsysteme aus Kunststoff im Überblick
Technische Informationen ABS Rohrsysteme
Technische Informationen PVC  U Rohrsysteme
Technische Informationen PVC  U Transparent Rohrsysteme
Technische Informationen PVC  C Rohrsysteme
Technische Informationen PP Rohrsysteme
Technische Informationen PP-R Rohrsysteme
Technische Informationen PE Rohrsysteme
Technische Informationen PVDF Rohrsysteme

Chemiedur


Technische Informationen UP-GF (GFK) Rohrsysteme
UP-GF (GFK) Rohre
UP-GF (GFK) Formteile und Verbindungen
UP-GF-PP (GFK) Formteile und Verbindungen
UP-GF (GFK) Klebebunde
UP-GF (GFK) Losflansche
PP/GFK Schmutzfänger DN 200 - DN 500
GFK/CSS  Schmutzfänger DN 200 - DN 500
PP/GFK  Schrägsitzschmutzfänger DN 200 - DN 400
GFK und PP/GFK Mannlochdeckel DN 500 - DN 800


Kunststoffrohre


Rohrzuschnitssrechner
Sägehinweise Kunststoffrohre
Kunststoffrohr - Restebörse
Normung - Kunststoffrohre und Formteile
PVC U Rohrabweichungen
Druckverlust PVCU, PVCC und ABS Rohrsysteme
Unterschied Rp, R und G Gewinde
Schraubenlängen für Flanschverbindungen
Dichtungen: PTFE, NBR, FKM, EPDM

Kunststoffarmaturen


PVC U Transparent Kugelhahn
Membranventile
Blockventile
Absperrklappen
Nadelventile aus Kunststoff



 

Kunststoffarmaturen nach ATEX


ATEX-Leitlinien allgemein
Neue EU Richtlinie 2014/34/EU
Kunststoffarmaturen in Ex-Zonen
Schmutzfänger PP-EL DN 15 - DN 50
Rückschlagventil PP-EL DN 15 - DN 50
Schrägsitzventil PP-EL DN 15 - DN 50

Kleben von Kunststoffrohren


Klebeanleitung
Klebeanleitung per Video

Kunststoffschweißen


Hinweise zum Extrusionsschweissen


Gitterroste / Tragroste


GFK Gitterroste
Gitterroste PP -el elektrisch Leitfähig
Profiltragroste PP -el elektrisch Leitfähig


Lüftungsformteile


Lüftungstechnik
Revisionsdeckel für Lüftungskanäle
Luftstromüberwachung


Chemieschlauch


PVC Transparentschlauch mit Textileinlage


Industrie- und Chemiebehälter


Dosierbehälter-Konfigurator
Dosierbehälter  und Überbehälter 35 – 1000 Liter
Salzlösebehälter 60 -5000 Liter
Lagerbehälter & Bottiche
Lagerbehälter für Wasser
Sicherheits- und Auffangwannen
Lieferprogramm Industriebehälter
Dosierbehälter mit Rührwerk
Rührwerk für Dosierbehälter
Dosierbehälter mit Anbauvarianten
Dosierbehälter aus Plattenmaterial
Chemiebehälter - Kundenlösungen
Dosierbehälter mit Füllstandsanzeigen
GFK Behälter für den schweren Chemieeinsatz



 

IBC TANK / CONTAINER


IBC Schraubdeckel DN 150/DN 200
IBC Adapter aus PE
IBC Adapter aus PP
MULTI FLEX BLOCK für IBC Bulk Container
Sauglanze für MULTI FLEX BLOCK und IBC Bulk Container
Heizhaube für IBC Bulk Container

Anwendungsbeispiele
MULTI FLEX BLOCK


Legionellen in Rückkühlwerken


Anbauteile für den Behälterbau


Säuredunstscheider
CO2 - Absorber
Fallbeispiel CO2 - Absorber
Mannlochdeckel
Revisionsstutzen
Blockflansche
Klöpperboden aus PP-CPK, PE-SK, PVDF-geätzt, PVC U und PVC-C


Filtergehäuse und Filterkerzen


PENTEK 3G Slime Line Gehäuse
PENTEK 3G Standard Filtergehäuse
PENTEK Big Blue Filtergehäuse
PENTEK PP Hochtemperatur Filtergehäuse
PENTEK PP Natur Filtergehäuse
PENTEK Filterbeutel für Big Blue Filtergehäuse
PENTEK Filtereinsätze für Oberflächenfiltration
PENTEK Filtereinsätze für Tiefenfiltration
PENTEK Filtereinsätze mit Aktivkohle
CINTROPUR Filtersysteme
CINTROPUR Wasserfilter
Enthärtungsanlage KAWK
Heizungswasser Umkehrosmose INDUWA


Flansch-Konfigurator


Blindflansch-Losflansch-Rechteckflansch

Chemische Beständigkeit


Beständigkeitsliste für Rohrsystemen aus Kunststoff

Kunststoffapparatebau


Tropfenabscheider aus PVC U, PP, PPs, PE und Verbundwerkstoffen

 

Kunststoff-Drehteile


Einlegteile
Einschraubteile
Gewindefittings
Verschraubungen

Kunststoff-Frästeile


Los- und Blindflansche aus Platten


Statische Mischer


Statische Mischer aus Kunststoff


Kompensatoren


Kompensatoren für Kunststoffrohrsysteme


Schmutzfänger


Einzel- und Doppelschmutzfänger
Topfschmutzfänger DN 300
Schrägsitzschmutzfänger DN 500


Durchflussmesser


Schwebekörperdurchflussmesser
Konfigurator für Durchflussmesser
Messwertgeber für Schwebekörperdurchflussmesser
Nebenstrom - Durchflussmesser


Filterpressen


Laborfilterpresse


Spritzgussteile


Schaber aus PE für Filterpressen


Kwerk Praxis Blog


Hier bloggt das Kwerk Team aus der Praxis


Westerwald - Spezial


Westerwälder Säurekitt


Kwerk GmbH International


Unsere Webseite in Englisch


Partnerschaft auf höchstem Niveau


 
         
 
 
 
       
 
 
         
 
VIDEO
ONLINE-TOOLS
ANGEBOT ANFORDERN
PROJEKT-ANFRAGE STARTEN